AELS 202 D1N NTN

Vaše cena: 343,54 Kč
Kód: AELS 202 D1N
Skladem 2 ks
Nejprve zvolte variantu
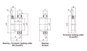
Upínací ložiska - se používají především pro jednoduchá uložení, např. v zemědělských strojích, v transportních zařízeních a ve stavebních strojích. Upínací ložisková jednotka sestává z oboustranně utěsněného jednořadého kuličkového ložiska s kulovým vnějším kroužkem a z tělesa odlitého z litiny nebo vylisovaného z ocelového plechu. Standardní výrobní program obsahuje běžné velikosti upínacích ložisek pro hřídele v metrických i palcových průměrech a k nim příslušející stojatá přírubová tělesa. Upínacích ložisek se používá téměř výhradně jako vodících ložisek. Jsou proto vhodná hlavně pro uložení krátkých hřídelů a tam, kde se předpokládá jen nepatrná tepelná roztažnost. Menší délková dilatace hřídele se vyrovnává v mezích axiální vůle v ložiskách.